TULIP nabijany uchwyt Ria 2900mm aluminium anodowane | Demos trade Sp. z o.o.
Ukryj asortyment Asortyment
Okucia i materiały dodatkowe Uchwyty, wieszaki Uchwyty TULIP nabijany uchwyt Ria 2900mm aluminium anodowane

TULIP nabijany uchwyt Ria 2900mm aluminium anodowane

Kod asortymentu 491992
W magazynie
Więcej informacji
Cenę produktu możesz sprawdzić po zalogowaniu się do portalu Démos24Plus.
Kup online
Marka
Tulip
Kod grupy
104001
Jednostka (JM)
szt
Minimalna ilość
1 szt
Opakowanie
30 szt
Opis i parametry

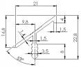
Rączka nabijana Tulip Ria jest przeznaczona przede wszystkim do szuflad i drzwiczek w kuchni i łazience. Zamontowanie jej na ściętej powierzchni drzwi chroni krawędź frontu przed zużyciem. W porównaniu z innymi typami rączek o profilu wypukłym, Tulip Ria jest minimalistyczny i widoczny tylko w prostej małej linii. Detal linii na powierzchni profili oprócz funkcji estetycznej pełni także funkcję praktyczną, zapobiegając ślizganiu się palców podczas otwierania.

Parametry

Parametr Wartość
Kolor Aluminium anodowane
Materiał uchwytu Aluminium
Wykończenie kolorystyczne Matowa